咨詢熱線
18761068161所屬欄目:軟齒面減速機 發布日期:2019-9-23 9:12:17 點擊量:

詳細說明
此系列包括:ZD80、ZD90、ZD100
例:


主要零部件
1、高速軸材料采用42CrMo。
2、大齒輪由齒圈和輪芯組合而成,齒圈材料采用35SiMn,輪芯材料采用HT200°。
3、機蓋、油池由A3鋼板焊接而成。
4、機座采用HT200。
適用條件
1、減速器輸入轉速不高于750r/min。
2、減速器工作環境溫度-40℃~+40℃。
3、減速器可用于正、反運轉。
ZD80、ZD90、ZD100系列人字齒圓柱齒輪減速器吊運與安裝
吊運與安裝
1、起吊整機時,應用機體上的吊鉤起吊,嚴禁用機蓋上的吊鉤起吊。
2、安裝前應先澆好牢固的地腳,并保證整機處于水平狀態。
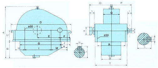
3、外形尺寸如圖及表二


潤滑
潤滑方式采用油池飛濺潤滑,潤滑油采用120#~320#工業齒輪油,若需要采用特殊冷卻裝置時,則視油泵性能可采用10#或14#機油。
冷卻
冷卻方式有:油冷或油冷加循環水冷卻,以及強冷。
裝配形式及代號

ZD80、ZD90、ZD100系列人字齒圓柱齒輪減速器傳動比
代號 | 傳動比 | |||
公稱 | 實際 | |||
ZD80 | ZD90 | ZD100 | ||
1 | 4.5 | 4.515 | 4.515 | 4.516 |
2 | 5.0 | 4.891 | 4.891 | 4.897 |
3 | 5.6 | 5.577 | 5.577 | 5.577 |
4 | 6.3 | 6.435 | 6.435 | 6.435 |
5 | 7.1 | 7.143 | 7.143 | 7.143 |
6 | 6.3 | 6.297 | 6.300 | 6.308 |
本文鏈接:http://www.design-a-dress.com/content/?234.html
相關標簽:軟齒面減速機
上一篇:ZQD型大傳動比圓柱齒輪減速機
下一篇:ZD(ZDH)70系列減速機
掃一掃
添加微信好友咨詢
微信號:
18761068161